
Ersatzteil
HAENEL / Suhl (DDR) Luftgewehr
Modell 303-8 Super / 303-Super (Knicklauf mit Laufverriegelung)
Biegefeder / Bugfeder
-vom Abzug
-Bestellnummer aus original Ersatzteileliste DDR: 0854036801

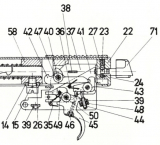
Teilenummer aus HAENEL III-284 Ersatzteileliste: 21
Teilenummer aus HAENEL III-284 Ersatzteileliste: 27
Teilenummer aus HAENEL III-284 Ersatzteileliste: 44
Diesen Artikel haben wir am 26.05.2009 in unseren Katalog aufgenommen.